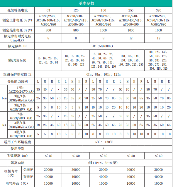
TGM1N 系列塑料外殼式斷路器是采用國際先進技術平臺開發的新型斷路器,該產品適用于交流 50/60Hz,額定工作電壓 690V 及以下的電路中做配電保護作用,也可做為線路的不頻繁轉換和電動機的不頻繁啟動之用,該產品具有外觀精美、體積精巧、維護便捷、性能優越等優勢,其優異的性能和超高的性價比可全面替代市面上 M1 系列產品。
本系列斷路器具有過載、短路保護裝置。本系列斷路器可垂直安裝(即豎裝),亦可水平安裝(即橫裝),具有隔離功能。
斷路器符合下列標準:
IEC 60947-1 及 GB/ 14048.1 《低壓開關設備 第1部分:總則》。
IEC 60947-2 及 GBT 14048.2 <低圧開關設備 第2部分:斷路器>。
產品認證:CCC、CB、CE。
 
                            TGW1N 系列萬能式斷路器,適用于交流50Hz,額定電壓AC380V~AC690V,額定電流200A~6300A 的配...
 
                            TGM3 系列塑料外殼式斷路器 ( 以下簡稱斷路器 ) 是我公司采用國際先進技術研制、開發的新型斷路器之一。具有零飛弧、...
 
                            TGM3E 系列塑料外殼式斷路器(以下簡稱斷路器)是我公司采用國際先進技術研制、開發的新型斷路器之一。具有四段選擇性保護...
 
                            TGQ1N 系列自動轉換開關電器適用于交流 50Hz, 額定工作電壓 AC400V,額定工作電流至 800A 的三相四...
 
                            TGB1N-63 小型斷路器(以下簡稱斷路器)主要適用于交流 50/60Hz,額定電壓 230V/400V,額定電流至 ...
 您可以向麻花星空mv麻花星空mv高清完整發送有關麻花星空mv麻花星空mv高清完整電氣的問題咨詢